股票代码  003021
主页 > 产品中心 > 微型电机 > 无刷空心杯电机 > Φ22mm无刷空心杯电机(MC2232)
概述

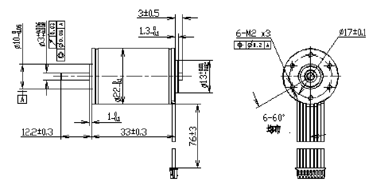
Φ22mm无刷空心杯电机(MC2232)

产品型号:MC2232

直径(mm):22

长度(mm):32

额定电压(V):24

额定转速(rpm):10400

堵转转矩(mNm):627

堵转电流(A) :47

转矩常数(mNm/A):13.7

速度常数(rpm/V) :699

输出轴直径(mm):3

电机参数

电机数据(额定值)
额定电压(V) 24 28
空载转速(rpm) 11700 7200
空载电流(A) 0.085 0.06
额定转速 (rpm) 10400 5500
额定转矩(mNm) 15 20
额定电流(A) 0.96 0.65
堵转转矩(mNm) 132 81.9
堵转电流(A) 7.2 2.35
最大效率(%) 71.8 70.7
电机常数(额定值)
相间电阻(Ω) 3.5 11.9
相间电感(mH) 0.43 0.77
转矩常数(mNm/A) 13.7 35.7
速度常数(rpm/V) 699 267
转速/转矩斜度( rpm/mNm) 26.6 89.1
机械时间常数(ms) 1.3 14.18
转子惯量(gcm2) 1.52 1.52
热参数
机壳-环境热阻(K/W) 13.6 16.3
绕组-机壳热阻(K/W) 350 456.5
绕组热时间常数(s) 5.7 8.6
电机热时间常数(s) 1340 1500
环境温度(℃) ?? -20…+100 ?? -20…+100
最高绕组温度(℃) 125 125
机械参数(滚珠轴承)
最大允许转速(rpm) 25 000
最大轴向间隙(mm) < 3 N? 0
?12 N > 3 N??0.1(max)
径向间隙 ?preloaded
最大轴向动态载荷(N) 3.2
最大允许安静态装力(N) 29
最大径向载荷,距离法兰处2mm处(N) 15
端子型号
CJT A1257HRE-5P? UL1571 AWG26
CJT C6201HFB-2*2P UL1571 AWG22
CJT C6201HFB-2X5P UL10064 AWG30
*注:以上具体参数可根据客户要求定制。

设计图纸

热门产品查看更多

  •  MC1226

      功率9.9W  

      扭矩2.38 mNm  

      磁极两磁极  

    查看详情
  •  MC1625

      额定电压(V)12  

      磁极四级  

      堵转转矩(mNm)37.9  

    查看详情
  •  MC1958

      额定电压 36 V  

      额定转速 54400 rpm  

      堵转转矩 447 mNm  

    查看详情

资料下载

Φ22mm无刷空心杯电机(MC2232)规格书

HJC黄金城官网 — 微型驱动系统制造商

专注于研发、生产精密驱动系统,为客户提供智能驱动方案设计,零件的生产与组装的定制化服务

立即咨询  >

粤ICP备11019966号     Copyright ? 2023  深圳市HJC黄金城官网机电股份有限公司  

粤ICP备11019966号
Copyright  2023  深圳市HJC黄金城官网机电股份有限公司

400-066-2287
服务热线


线

服务热线:400-066-2287
sitemap地图